PCB Development


PCB Development
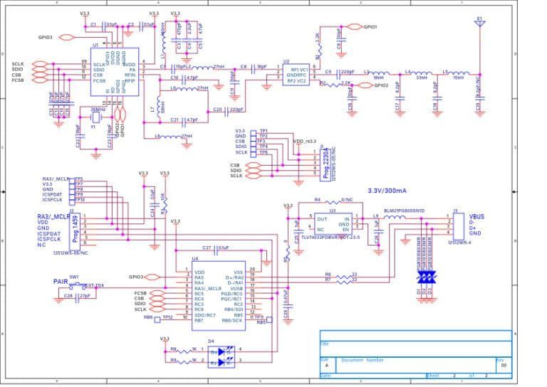
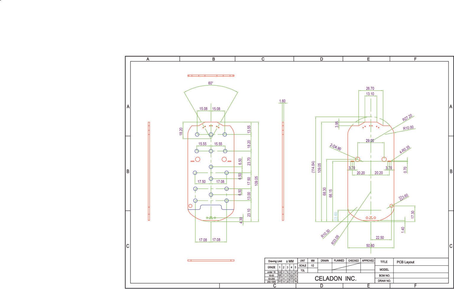
Custom PCB design involves working closely with the customer to define the functional requirements of the product, determining the optimum microcontroller and other critical components and using best practices to layout the PCB within the confines of the space available within the enclosure. The microcontroller will be programmed, based on the customer approved specifications, and the samples would be thoroughly tested before sending to the customer for final approval for mass production.
Examples of applications for custom tooling and PCB development include Specialized Remote Controls, IoT Devices, Industrial Controllers, Handheld Electronics, Healthcare Products, Educational Products and more.
For more information on PCB Development, please complete the form on the Contact Us page to have someone from Celadon contact you to discuss your project in detail.









